Øjer af aluminium

Øjer af aluminium

Her på vores fabrik i Dongguan producerer Nuote Metals kvalitets aluminiumsøjer. Vi har fokuseret på at lave aluminiumsøjer i mange år. Vores aluminium er nøje udvalgt til at være både let og stærkt. Disse aluminiumsøjer ruster ikke, og de bevarer deres lyse finish. Vi tilbyder aluminiumsøjer i forskellige størrelser. Nogle er små, andre er ret store. Hvert aluminiumsøje bliver undersøgt af vores personale. De tjekker formen og overfladen. Kunderne vælger ofte vores aluminiumsøjer. De finder dem pålidelige og flotte. Vi giver hurtige prøver til dem, der vil prøve dem.

Send forespørgsel

Produkt beskrivelse

Indledning

Et aluminiumsøje er en lille ring, der er lavet af aluminium. Det hjælper med at styrke huller i stof eller andre materialer. Aluminiumsøjer er lettere end de fleste metaløjer. Dette gør dem nemme at håndtere og sende. De beskytter hullernes kanter mod slitage. Når snørebånd eller snore trækkes igennem, forbliver materialet intakt. Aluminiumsøjer modstår vand og vil ikke korrodere. Deres finish forbliver lys over tid. Et simpelt presseværktøj bruges til at sætte aluminiumsøjer. Når de først er presset på plads, forbliver de sikre og løsner sig ikke.


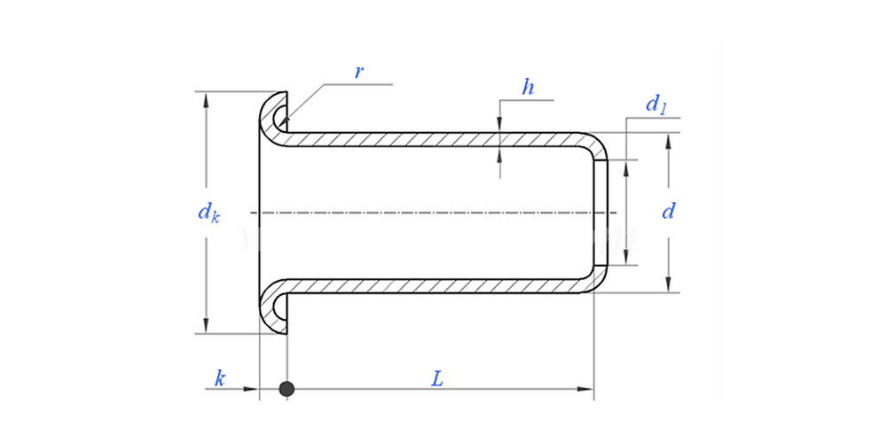
Parameter for aluminiumsøjler (specifikation)



Materiale Aluminium
Overfladebehandling Ren, forzinkning, fornikling, forsølvning, som ønsket
Certifikat Rohs-kompatibel
Skaftdiameter 0,8-10 mm
Tolerance +/-0,05 mm
Anvendelse Velegnet til brug i forskellige industrier, herunder stof, telte, kanvas osv.
Kvalitetskontrol 100% inspektion af hele sortimentet gennem produktion sikrer, at hvert produkt opfylder ISO-standarden, hvilket garanterer produkter af høj kvalitet.



aluminiumsøjer tegner som nedenfor:

Ansøgningsshow:


Aluminium Øjefunktion og anvendelse

Aluminiumsøjer har mange daglige anvendelser. De findes i sneakers og letvægtsstøvler til snørebånd. Regnjakker og vindjakker bruger dem til hættesnore. Muleposer og rygsække har ofte aluminiumsøjer. Campingtelte og presenninger kan inkludere dem til fyrliner. Sportsudstyr som flag og vimpler bruger også aluminiumsøjer. Nogle beskyttende etuier og covers er også afhængige af dem. Disse aluminiumsøjer hjælper med at holde produkterne funktionelle og pæne. Vores kunder vælger vores aluminiumsøjer, fordi de er lette og rustfrie. Vi sætter en ære i at lave holdbare aluminiumsøjer lige her i Dongguan.


aluminiumsøjer Produktionsdetaljer

Pakningsoplysninger

Ofte stillede spørgsmål:

Q1: Hvad er din MOQ for aluminiumsøjer?

MOQ for nitter er 20.000 stk.


Q2: Kan du skræddersy med vores tegning?

Ja, de fleste af vores rørnitter er skræddersyet med kundens tegning.


Q3: Kan du give gratis prøver af de hule nitter?

Vi kan levere gratis prøver til den størrelse, vi har på lager, men kunderne betaler ekspresafgifterne.


Q4: Hvad er din leveringstid?

Størrelse af nitter på lager: 3-5 dage, Ikke-standard nitter: 15-25 dage. Vi vil levere hurtigst muligt med garantikvaliteten.


Q5: Kvaliteten af ​​dine produkter?

Virksomheden har avanceret produktions- og testudstyr. Hvert produkt vil blive 100% inspiceret af vores QC-afdeling før forsendelse.


Q6: Hvorfor vælger vi Nuote Technology?

1.We Nuote respekterer kundevilkårene for at beskytte kundernes privatlivsprojekter.

2. Høj kvalitet med attraktiv pris

3. Hurtig leveringstid

4.Happy deal og ærlighed til kunde og partner

5. Professionel salgsannonce besvarer din forespørgsel med 8 timer.

6.Nuotes produkter og service sælges til mere end 70 lande med et godt omdømme


Hot Tags: Aluminiumsøjler, aluminiumsøjler Kina, producent af aluminiumsøjler
Relateret kategori
Send forespørgsel
Du er velkommen til at give din forespørgsel i nedenstående formular. Vi svarer dig inden for 24 timer.
Relaterede produkter
X
Vi bruger cookies til at tilbyde dig en bedre browsingoplevelse, analysere trafik på webstedet og tilpasse indhold. Ved at bruge denne side accepterer du vores brug af cookies. Privatlivspolitik