Øjer til PCB
  • Øjer til PCB Øjer til PCB

Øjer til PCB

Øjner til PCB har en holdbar, cylindrisk form, der tilføjer forstærkning til udstansede huller i en række forskellige materialer, hjælper med at forhindre flossning og tilbyder rene, færdige kanter. Nuote Metals er en producent af PCB-øjer i Kina i mere end 10 år, vi har mange størrelser på lager.

Send forespørgsel

Produkt beskrivelse

Introduktion af øjer til PCB


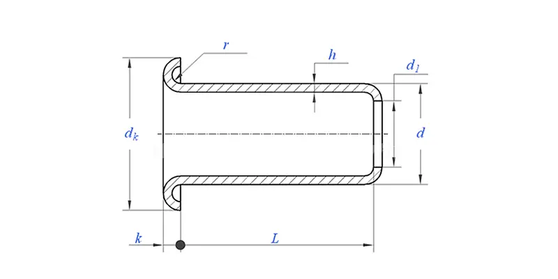
Den mest almindelige øjenform er den standard runde øje, som er meget brugt på grund af dens enkle og effektive design. PCB-øjer er normalt fladt på hovedet.


øjer til PCB


eyelets for PCB


Påføring af metaløjer viser:


eyelets for PCB



Produktparameter (specifikation)


Materiale

Messing, stål, kobber, rustfrit stål

Overfladebehandling

Ren, forzinkning, fornikling, forsølvning, som ønsket

Certifikat

Rohs-kompatibel

Skaft diameter

0,8-10 mm

Tolerance

+/-0,05 mm

Anvendelse

 Velegnet til brug i forskellige industrier, bl.abilindustrien, rumfart, elektrisk og elektronik osv.

Kvalitetskontrol

100% inspektion af hele sortimentet gennem produktion sikrer, at hvert produkt opfylder ISO-standarden, hvilket garanterer produkter af høj kvalitet.


Produktfunktion og applikation


PCB-øjer er blandt de mest brugte og skabes ved at slå et hul gennem den øverste del af et printkort.


øjer til PCB Produktionsdetaljer


eyelets for PCB


Pakningsoplysninger


eyelets for PCB


Ofte stillede spørgsmål:


Q1: Hvad er din MOQ for øjer til PCB?

MOQ for nitter er 20.000 stk.


Q2: Kan du skræddersy med vores tegning?

Ja, de fleste af vores PCB-øjer er skræddersyet med kundens tegning.


Q3: Kan du give gratis prøver af de hule nitter?

Vi kan levere gratis prøver til den størrelse, vi har på lager, men kunderne betaler ekspresafgifterne.


Q4: Hvad er din leveringstid?

Størrelse af nitter på lager: 3-5 dage, Ikke-standard nitter: 15-25 dage. Vi vil levere hurtigst muligt med garantikvaliteten.


Q5: Kvaliteten af ​​dine produkter?

Virksomheden har avanceret produktions- og testudstyr. Hvert produkt vil blive 100% inspiceret af vores QC-afdeling før forsendelse.


Q6: Hvorfor vælger vi Nuote Technology?

1.We Nuote respekterer kundevilkårene for at beskytte kundernes privatlivsprojekter.

2. Høj kvalitet med attraktiv pris

3. Hurtig leveringstid

4.Happy deal og ærlighed til kunde og partner

5. Professionel salgsannonce besvarer din forespørgsel med 8 timer.

6.Nuotes produkter og service sælges til mere end 70 lande med et godt omdømme


Hot Tags: Øjer til PCB
Relateret kategori
Send forespørgsel
Du er velkommen til at give din forespørgsel i nedenstående formular. Vi svarer dig inden for 24 timer.
X
Vi bruger cookies til at tilbyde dig en bedre browsingoplevelse, analysere trafik på webstedet og tilpasse indhold. Ved at bruge denne side accepterer du vores brug af cookies. Privatlivspolitik