Øje og skive

Øje og skive

Du kan finde øje og skive i mange hverdagsting. De er små metaldele. Øsken er som en lille ring, og skiven er en flad skive. De presses sammen for at skabe et stærkt, glat hul i materialer som stof eller plastik. Dette forhindrer materialet i at rive. I Kina fremstiller Nuote Metals disse små, men nyttige dele. vi producerer mange typer øjer og skiver til forskellige opgaver.

Send forespørgsel

Produkt beskrivelse

Introduktion af øje og skive

Det, der gør et øje og en spændeskive så nyttige, er, hvor enkle de er. Du sætter øjet gennem et hul i materialet. Derefter placerer du skiven på bagsiden. En maskine trykker på dem og klemmer stykkerne sammen. Dette låser materialet tæt ind imellem. Resultatet er et rent, stærkt hul, der ikke nemt bliver slidt. På grund af dette enkle design er øjet og skiven en meget pålidelig løsning.


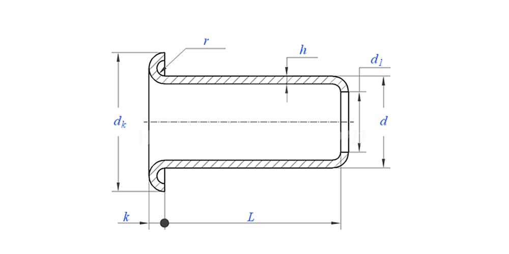
øje og skive tegning som nedenfor:

øjen- og skiveapplikation viser:

Øje- og skiveparameter (specifikation)

Materiale Messing
Overfladebehandling Ren, forzinkning, fornikling, forsølvning, som ønsket
Hovedtype Rundt hoved solide nitter
Certifikat Rohs-kompatibel
Skaftdiameter 0,8-8 mm
Tolerance +/-0,05 mm
Anvendelse Velegnet til brug i forskellige industrier, herunder bilindustrien, rumfart, elektrisk og elektronik osv.
Kvalitetskontrol 100% inspektion af hele sortimentet gennem produktion sikrer, at hvert produkt opfylder ISO-standarden, hvilket garanterer produkter af høj kvalitet.




Øje- og skivefunktion og anvendelse

Et godt eksempel på, hvor du ser et øje og en skive er på en oliedåse. Mange oliedåser har en lille metaltud til hældning. Denne tud bliver meget brugt og kan nemt rives i stykker. Men hvis du ser godt efter, vil du ofte se en lille metalring, der forstærker åbningen. Det er øjet og skiven på arbejde. Det gør tuden stærk og forhindrer utætheder, så oliedunken holder længe. Det er en perfekt brug for dette enkle par dele.


øje og skive Produktionsdetaljer

Pakningsoplysninger

Ofte stillede spørgsmål:

Q1: Hvad er din MOQ for øje og skive?

MOQ for nitter er 20.000 stk.


Q2: Kan du skræddersy med vores tegning?

Ja, de fleste af vores rørnitter er skræddersyet med kundens tegning.


Q3: Kan du give gratis prøver af de hule nitter?

Vi kan levere gratis prøver til den størrelse, vi har på lager, men kunderne betaler ekspresafgifterne.


Q4: Hvad er din leveringstid?

Størrelse af nitter på lager: 3-5 dage, Ikke-standard nitter: 15-25 dage. Vi vil levere hurtigst muligt med garantikvaliteten.


Q5: Kvaliteten af ​​dine produkter?

Virksomheden har avanceret produktions- og testudstyr. Hvert produkt vil blive 100% inspiceret af vores QC-afdeling før forsendelse.


Q6: Hvorfor vælger vi Nuote Technology?

1.We Nuote respekterer kundevilkårene for at beskytte kundernes privatlivsprojekter.

2. Høj kvalitet med attraktiv pris

3. Hurtig leveringstid

4.Happy deal og ærlighed til kunde og partner

5. Professionel salgsannonce besvarer din forespørgsel med 8 timer.

6.Nuotes produkter og service sælges til mere end 70 lande med et godt omdømme


Hot Tags: Øje og spændeskive, Kina Øje og spændeskive, producent af Øje og spændeskive
Relateret kategori
Send forespørgsel
Du er velkommen til at give din forespørgsel i nedenstående formular. Vi svarer dig inden for 24 timer.
X
Vi bruger cookies til at tilbyde dig en bedre browsingoplevelse, analysere trafik på webstedet og tilpasse indhold. Ved at bruge denne side accepterer du vores brug af cookies. Privatlivspolitik