PCB Øjninger

PCB Øjninger

PCB-øjer er små metalringe designet til at blive installeret i et printkort. Det ser måske simpelt ud, men det spiller en vigtig rolle. Folk bruger dem til at skabe stærke og pålidelige huller i et printkort. Denne lille komponent hjælper med at sikre, at forbindelser ikke bliver beskadiget under montering eller brug. Nuote Metals hjælper dig gerne med at vide mere om øjer til PCB.

Send forespørgsel

Produkt beskrivelse

Introduktion af PCB-øjer

Hovedopgaven for en PCB-øje er at forstærke et hul. Det er typisk lavet af messing og ofte belagt med tin eller lodde. Dette gør det nemt at lodde komponenter til den. Når det presses ind i brættet, styrker et PCB-øje hullet og forhindrer revner i kobbersporet. Den fungerer som en slidstærk sleeve, der beskytter det sarte printkortmateriale.


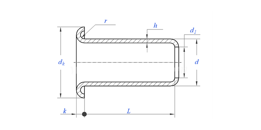
PCB-øjer tegner som nedenfor:

PCB Eyelet Parameter (specifikation)



Materiale Messing
Overfladebehandling Ren, forzinkning, fornikling, forsølvning, som ønsket
Certifikat Rohs-kompatibel
Skaftdiameter 0,8-10 mm
Tolerance +/-0,05 mm
Anvendelse Velegnet til brug i forskellige industrier, herunder bilindustrien, rumfart, elektrisk og elektronik osv.
Kvalitetskontrol 100% inspektion af hele sortimentet gennem produktion sikrer, at hvert produkt opfylder ISO-standarden, hvilket garanterer produkter af høj kvalitet.



PCB-øjeapplikation viser:


PCB Eyelets funktion og anvendelse

Du vil finde PCB-øjer brugt i mange elektroniske produkter. De er perfekte til steder, der har brug for et stærkt tilslutningspunkt, som en transformer eller et stort komponentben. Et PCB-øje er også almindeligt i testpunkter, hvor en sonde kan forbindes gentagne gange. I kontakter eller stik sikrer PCB-øjet, at den mekaniske belastning er på metalmuffen, ikke selve det skrøbelige bord. De er essentielle for at lave elektronik, der holder.


PCB-øjer Produktionsdetaljer

Pakningsoplysninger

Ofte stillede spørgsmål:

Q1: Hvad er din MOQ for PCB-øjer?

MOQ for nitter er 20.000 stk.


Q2: Kan du skræddersy med vores tegning?

Ja, de fleste af vores rørnitter er skræddersyet med kundens tegning.


Q3: Kan du give gratis prøver af de hule nitter?

Vi kan levere gratis prøver til den størrelse, vi har på lager, men kunderne betaler ekspresafgifterne.


Q4: Hvad er din leveringstid?

Størrelse af nitter på lager: 3-5 dage, Ikke-standard nitter: 15-25 dage. Vi vil levere hurtigst muligt med garantikvaliteten.


Q5: Kvaliteten af ​​dine produkter?

Virksomheden har avanceret produktions- og testudstyr. Hvert produkt vil blive 100% inspiceret af vores QC-afdeling før forsendelse.


Q6: Hvorfor vælger vi Nuote Technology?

1.We Nuote respekterer kundevilkårene for at beskytte kundernes privatlivsprojekter.

2. Høj kvalitet med attraktiv pris

3. Hurtig leveringstid

4.Happy deal og ærlighed til kunde og partner

5. Professionel salgsannonce besvarer din forespørgsel med 8 timer.

6.Nuotes produkter og service sælges til mere end 70 lande med et godt omdømme


Hot Tags: PCB-øjer, Øjner til PCB, Kina PCB-øjer
Relateret kategori
Send forespørgsel
Du er velkommen til at give din forespørgsel i nedenstående formular. Vi svarer dig inden for 24 timer.
X
Vi bruger cookies til at tilbyde dig en bedre browsingoplevelse, analysere trafik på webstedet og tilpasse indhold. Ved at bruge denne side accepterer du vores brug af cookies. Privatlivspolitik