Små messingøjer

Små messingøjer

Nuote Metals i Dongguan laver små messingøjer til kunder, der har brug for dem. Disse er små metalringe lavet af messing. Messing er et godt materiale - det ser pænt ud, ruster ikke og holder godt. Vi laver små messingøjer i forskellige størrelser, nogle helt ned til et par millimeter på tværs. Hvert parti af små messingøjer bliver kontrolleret for glatte kanter og ensartet form. Folk kommer til os, når de har brug for små messingøjer til deres produkter. Vi kan lave prøver først, så du kan se, hvordan de ser ud og passer.

Send forespørgsel

Produkt beskrivelse

Introduktion af små messingøjer

Små messingøjer bruges til at forstærke huller i letvægtsmaterialer. Folk putter dem i stof, læder eller papir for at forhindre hullet i at rives. Fordi de er af messing, har små messingøjer en flot guldfarve, der ikke falmer. De er også nemme at indstille - et simpelt håndtryk eller en lille maskine skubber dem på plads. Når de er installeret, bliver små messingøjer siddende og løsner sig ikke. Den lille størrelse gør dem perfekte til sarte ting, hvor et større øje ville se malplaceret ud.


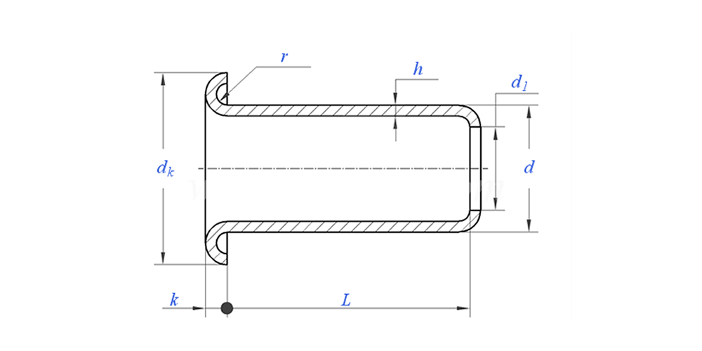
små messingøjer tegner som nedenfor:

Forskellige materialer af øjer vi laver

Vi laver messingøjer, rustfri ståløjer og ståløjer, aluminiumsøjer, kobberøjer og specialøjer med forskellige størrelser.

  


  


Forskellige materialer af øjer og deres egenskaber

Materiale Karakteristika Typisk overfladefinish Typiske applikationer Fordele / Ulemper / Noter
Messing God duktilitet, attraktiv farve, god elektrisk ledningsevne Forniklet, forkromet, forgyldt, børstet, antik/ældret Beklædning, bagage, bælter, dekorative komponenter, elektroniske stik Fordele: Let at stemple, stærk dekorativ appel, god korrosionsbestandighed. Ulemper: Moderat til høje omkostninger; kobberindhold kan anløbe i fugtige omgivelser.
Jern/stål Høj styrke, lav pris, magnetisk Forzinket, sort, pulverlakeret, e-coat, varmgalvaniseret Industrielle emballagekasser, lærredsvarer, presenninger, strømledningsøjer Fordele: Lave omkostninger, høj belastningskapacitet. Ulemper: Dårlig korrosionsbestandighed uden belægning; relativt tung.
Rustfrit stål Fremragende korrosionsbestandighed, høj styrke, ikke-magnetisk eller svagt magnetisk Poleret, børstet, passiveret (normalt ingen yderligere plettering) Udendørs udstyr, marineudstyr, medicinsk udstyr, kemiske miljøer, high-end bagage Fordele: Holdbar, tåler barske miljøer, opfylder sanitære krav. Ulemper: Høje omkostninger; forårsager højere værktøjsslid under formning.
Aluminium Lav densitet, let, god ledningsevne, danner naturligt oxidlag Anodiseret, sandblæst, naturlig oxid, zinkbelagt Luftfarts letvægtskomponenter, bærbare enheder, elektroniske kabinetter, letvægtsbagage Fordele: Let, korrosionsbestandig (oxidlag). Ulemper: Lavere styrke end stål; blød overflade tilbøjelig til at ridse; ikke egnet til applikationer med høj belastning.
Kobber Fremragende elektrisk og termisk ledningsevne, blød Fortinnet, sølvbelagt, forniklet (for at forhindre oxidation) PCB nitning, jordforbindelsesklemmer, højfrekvente afskærmningsforbindelser Fordele: Overlegen elektrisk og termisk ledningsevne. Ulemper: Høje omkostninger; oxiderer let i luften; kræver normalt et beskyttende pletteringslag.


Produktfunktion og applikation

Små messingøjer bruges til mange ting. Tøj som hættetrøjer og sko bruger dem til snørebånd. Små tasker og punge har små messingøjer til stropper. Håndværksprojekter som scrapbøger bruger dem til båndhuller. Selv nogle elektronik og gadgets bruger bittesmå små messingøjer til ledninger eller montering. De er også almindelige i lædervarer, bælter og hatte. Når du har brug for en lille, flot metalring, der ikke ruster, klarer små messingøjer jobbet. Vores kunder bruger dem i alle mulige produkter.


Nuote Metals kvalitetssikringsproces om eyelets


Hvad er forskellen mellem et øje af høj kvalitet og et øje af dårlig kvalitet?


Hvordan bestiller man øjer fra Nuote Metals?

Bare følg nedenstående brugerdefinerede procesdiagram.


Ofte stillede spørgsmål:

Q1: Hvad er din MOQ for små messingøjer?

MOQ for nitter er 20.000 stk.


Q2: Kan du skræddersy med vores tegning?

Ja, de fleste af vores rørnitter er skræddersyet med kundens tegning.


Q3: Kan du give gratis prøver af de hule nitter?

Vi kan levere gratis prøver til den størrelse, vi har på lager, men kunderne betaler ekspresafgifterne.


Q4: Hvad er din leveringstid?

Størrelse af nitter på lager: 3-5 dage, Ikke-standard nitter: 15-25 dage. Vi vil levere hurtigst muligt med garantikvaliteten.


Q5: Kvaliteten af ​​dine produkter?

Virksomheden har avanceret produktions- og testudstyr. Hvert produkt vil blive 100% inspiceret af vores QC-afdeling før afsendelse.


Q6: Hvorfor vælger vi Nuote Technology?

1.We Nuote respekterer kundevilkårene for at beskytte kundernes privatlivsprojekter.

2. Høj kvalitet med attraktiv pris

3. Hurtig leveringstid

4.Happy deal og ærlighed til kunde og partner

5. Professionel salgsannonce besvarer din forespørgsel med 8 timer.

6.Nuotes produkter og service sælges til mere end 70 lande med et godt omdømme

Hot Tags: Små messingøjer, Kina messingøjer, producent af messingøjer
Relateret kategori
Send forespørgsel
Du er velkommen til at give din forespørgsel i nedenstående formular. Vi svarer dig inden for 24 timer.
X
Vi bruger cookies til at tilbyde dig en bedre browsingoplevelse, analysere trafik på webstedet og tilpasse indhold. Ved at bruge denne side accepterer du vores brug af cookies. Privatlivspolitik