Teltøjer

Teltøjer

Vi er Nuote Metals fra Dongguan Kina. Vores fabrik laver stærke teltøjer til udendørs brug. Vi har lavet teltøjer i mange år. Vores teltøjer er lavet af gode materialer. Vi bruger rustfrit stål og messing, der ikke ruster. Vi laver teltøjer i forskellige størrelser. Nogle er små til lette telte. Nogle er store til tunge telte. Hvert teltøje bliver tjekket af vores arbejdere. De sørger for, at hvert telthul er perfekt. Mange campingfirmaer køber vores teltøjer. De kan lide vores gode kvalitet og fair pris.

Send forespørgsel

Produkt beskrivelse

Introduktion til teltøjer

Teltøjer er metalringe til telte. De er sat på teltdug. Reb og stænger går gennem disse teltøjer. Teltøjerne gør teltet stærkt og stabilt. De forhindrer teltdugen i at rive i stykker i vinden. Gode ​​teltøjer kan holde i mange år. Selv i regn og sol går de ikke i stykker. Indsættelse af teltøjer kræver en speciel maskine. Maskinen presser telthullet ind i stoffet. Så bliver teltøjet der fast.



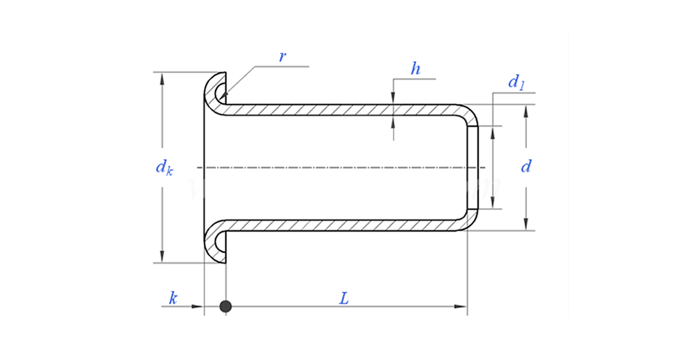
Parameter for teltøjer (specifikation)



Materiale Messing, stål, aluminium, rustfrit stål, kobber
Overfladebehandling Ren, forzinkning, fornikling, forsølvning, som ønsket
Certifikat Rohs-kompatibel
Skaftdiameter 0,8-10 mm
Tolerance +/-0,05 mm
Anvendelse Velegnet til brug i forskellige industrier, herunder bilindustrien, rumfart, elektrisk og elektronik osv.
Kvalitetskontrol 100% inspektion af hele sortimentet gennem produktion sikrer, at hvert produkt opfylder ISO-standarden, hvilket garanterer produkter af høj kvalitet.


Teltøjer tegner som nedenfor:

Ansøgningsshow:


Funktion og anvendelse af teltøjer

Teltøjer bruges på mange måder. Alle campingtelte har brug for telthuller. Store familietelte bruger mange teltøjer. Udendørs skyggetelte bruger også teltøjer. Nogle tasker har teltøjer til at binde. Presenninger bruger teltøjer til at binde ned. Selv noget sportsudstyr har brug for telthuller. Teltøjerne hjælper med at gøre udendørsudstyr sikkert og holdbart. Derfor er kvalitets teltøjer vigtige til udendørsprodukter. Vores kunder stoler på vores teltøjer til deres campingbehov.


Beklædningsøje Produktionsdetaljer

Pakningsoplysninger

Ofte stillede spørgsmål:

Q1: Hvad er din MOQ for teltøjer?

MOQ for nitter er 20.000 stk.


Q2: Kan du skræddersy med vores tegning?

Ja, de fleste af vores rørnitter er skræddersyet med kundens tegning.


Q3: Kan du give gratis prøver af de hule nitter?

Vi kan levere gratis prøver til den størrelse, vi har på lager, men kunderne betaler ekspresafgifterne.


Q4: Hvad er din leveringstid?

Størrelse af nitter på lager: 3-5 dage, Ikke-standard nitter: 15-25 dage. Vi vil levere hurtigst muligt med garantikvaliteten.


Q5: Kvaliteten af ​​dine produkter?

Virksomheden har avanceret produktions- og testudstyr. Hvert produkt vil blive 100% inspiceret af vores QC-afdeling før forsendelse.


Q6: Hvorfor vælger vi Nuote Technology?

1.We Nuote respekterer kundevilkårene for at beskytte kundernes privatlivsprojekter.

2. Høj kvalitet med attraktiv pris

3. Hurtig leveringstid

4.Happy deal og ærlighed til kunde og partner

5. Professionel salgsannonce besvarer din forespørgsel med 8 timer.

6.Nuotes produkter og service sælges til mere end 70 lande med et godt omdømme


Hot Tags: Telt øjer, Telt øjer Producent, Kina Telt øjer
Relateret kategori
Send forespørgsel
Du er velkommen til at give din forespørgsel i nedenstående formular. Vi svarer dig inden for 24 timer.
X
Vi bruger cookies til at tilbyde dig en bedre browsingoplevelse, analysere trafik på webstedet og tilpasse indhold. Ved at bruge denne side accepterer du vores brug af cookies. Privatlivspolitik