316 Øjer i rustfrit stål

316 Øjer i rustfrit stål

På vores anlæg i Dongguan fremstiller Nuote Metals holdbare 316-øjer af rustfrit stål. Dette materiale er specielt, fordi det modstår rust meget godt. Vi har produceret 316 rustfri ståløjer i mange år. Disse øjer er stærke og kan holde i lang tid. Vi laver dem i forskellige størrelser. Nogle er små til sarte produkter. Nogle er store til tungt brug. Hvert 316-øje af rustfrit stål bliver kontrolleret af vores team. De sikrer, at hvert stykke er glat og rent. Mange kunder vælger vores 316 rustfri ståløjer. De stoler på kvaliteten og holdbarheden. Vi kan levere prøver inden for et par dage.

Send forespørgsel

Produkt beskrivelse

316 Øjer i rustfrit stål Introduktion

316 rustfri ståløjer er lavet af højkvalitetsstål. Dette stål indeholder molybdæn. Det gør 316 rustfri ståløjer bedre modstå korrosion. De ruster ikke i saltvand eller fugtig luft. Disse øjer er også stærke under tryk. De bøjer eller knækker ikke let. Til at producere 316 øskner i rustfrit stål bruger vi præcise maskiner. Maskinerne skærer og former stålet til perfekte ringe. Derefter polerer vi hver 316 rustfri ståløje. Dette giver dem en flot finish og glatte kanter.


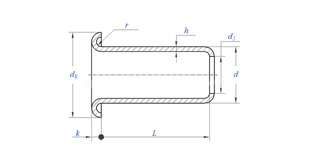
316 rustfri ståløjer tegner som nedenfor:

316 rustfrit stål øjer parameter (specifikation)



Materiale rustfrit stål
Overfladebehandling Ren, forzinkning, fornikling, forsølvning, som ønsket
Certifikat Rohs-kompatibel
Skaftdiameter 0,8-10 mm
Tolerance +/-0,05 mm
Anvendelse Velegnet til brug i forskellige industrier, herunder bilindustrien, rumfart, elektrisk og elektronik osv.
Kvalitetskontrol 100% inspektion af hele sortimentet gennem produktion sikrer, at hvert produkt opfylder ISO-standarden, hvilket garanterer produkter af høj kvalitet.


316 rustfrit stål øjer funktion og anvendelse

316 rustfri ståløjer bruges i barske miljøer. Både og marineudstyr bruger dem på grund af saltvand. Udendørs armaturer bruger dem i al slags vejr. Kemiske planter har nogle gange brug for dem på grund af deres modstand. Fødevareforarbejdningsudstyr kan også bruge dem. Udendørsudstyr af høj kvalitet har brug for disse øjer. Selv arkitektoniske projekter bruger 316 rustfrit ståløjer til dekoration og funktion. De er valgt, hvor almindelige øjer ville ruste. Vores kunder stoler på vores 316 rustfri ståløjer til vigtige applikationer. De ved, at disse øjer vil fungere godt og se godt ud i årevis. Vi er stolte af at lave så pålidelige produkter her i Dongguan.


316 Øjer i rustfrit stål


Ofte stillede spørgsmål:

Q1: Hvad er din MOQ for 316 rustfrit ståløjer?

MOQ for nitter er 20.000 stk.


Q2: Kan du skræddersy med vores tegning?

Ja, de fleste af vores rørnitter er skræddersyet med kundens tegning.


Q3: Kan du give gratis prøver af de hule nitter?

Vi kan levere gratis prøver til den størrelse, vi har på lager, men kunderne betaler ekspresafgifterne.


Q4: Hvad er din leveringstid?

Størrelse af nitter på lager: 3-5 dage, Ikke-standard nitter: 15-25 dage. Vi vil levere hurtigst muligt med garantikvaliteten.


Q5: Kvaliteten af ​​dine produkter?

Virksomheden har avanceret produktions- og testudstyr. Hvert produkt vil blive 100% inspiceret af vores QC-afdeling før forsendelse.


Q6: Hvorfor vælger vi Nuote Technology?

1.We Nuote respekterer kundevilkårene for at beskytte kundernes privatlivsprojekter.

2. Høj kvalitet med attraktiv pris

3. Hurtig leveringstid

4.Happy deal og ærlighed til kunde og partner

5. Professionel salgsannonce besvarer din forespørgsel med 8 timer.

6.Nuotes produkter og service sælges til mere end 70 lande med et godt omdømme

Hot Tags: 316 rustfrit stål øjer, SUS316L øjer, Kina rustfrit stål øjer
Relateret kategori
Send forespørgsel
Du er velkommen til at give din forespørgsel i nedenstående formular. Vi svarer dig inden for 24 timer.
X
Vi bruger cookies til at tilbyde dig en bedre browsingoplevelse, analysere trafik på webstedet og tilpasse indhold. Ved at bruge denne side accepterer du vores brug af cookies. Privatlivspolitik