Oilcan Øjer

Oilcan Øjer

Øjner i rustfrit stål er specielle små ringe, der bruges i oliekander. De er opkaldt efter deres klassiske brug i traditionelle oliedåser. Nuote Metals i Dongguan, Kina producerer pålidelige øskner i rustfrit stål med forskellige størrelser.

Send forespørgsel

Produkt beskrivelse

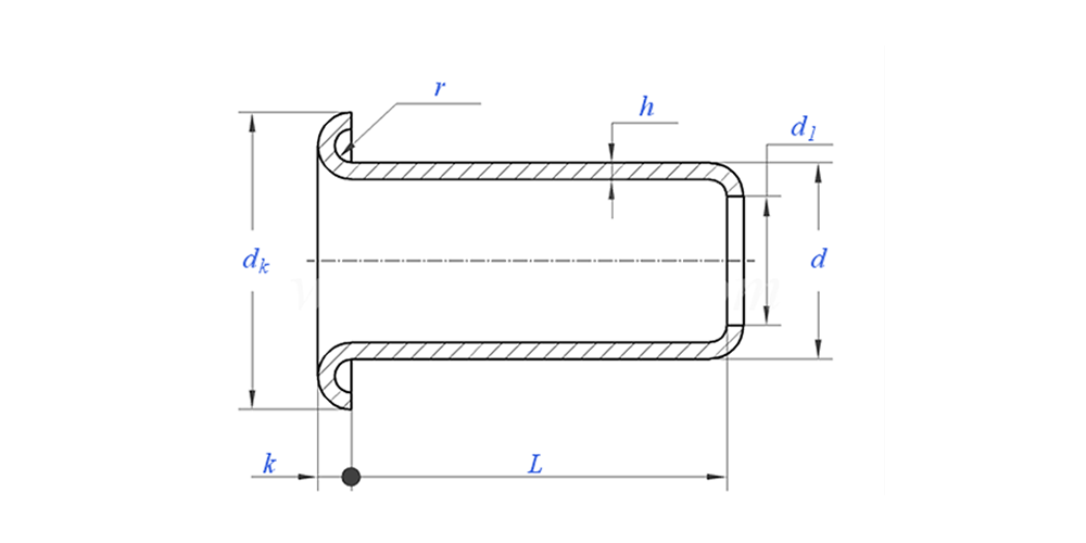
Introduktion af Oilcan Eyelets

Disse oliebeholderøjer er lavet af et enkelt stykke rustfrit stål. Dette gør dem stærke og modstandsdygtige over for rust, hvilket er meget vigtigt for langvarig brug. Designet inkluderer et hult center og en præformet rille. Denne rille gør det nemt at krympe oliekandens øjer sikkert ind i et metalpladehul uden stor indsats. Installationen er hurtig, hvilket skaber en tæt og permanent forsegling.


Oilcan Eyelets tegner som nedenfor:

applikation af oliekandeøjer viser:

Oilcan Eyelets Parameter (Specifikation)


Materiale Rustfrit stål 304
Overfladebehandling Ren, forzinkning, fornikling, forsølvning, som ønsket
Certifikat Rohs-kompatibel
Skaftdiameter 0,8-10 mm
Tolerance +/-0,05 mm
Anvendelse Velegnet til brug i forskellige industrier, herunder bilindustrien, rumfart, elektrisk og elektronik osv.
Kvalitetskontrol

100% inspektion af hele sortimentet gennem produktion sikrer, at hvert produkt opfylder ISO-standarden, hvilket garanterer produkter af høj kvalitet.


Oilcan eyelets funktion og anvendelse

Du finder disse oliedåseøjer, hvor der er mest brug for dem: på tuden på en oliedunk. De skaber et glat, forstærket hul, som olien kan strømme igennem. Denne enkle del gør dåsen nemmere og renere at bruge. Det gør også tuden meget stærkere, så den ikke bliver let slidt. Uden en god oliebeholderøje kan metalkanten blive ru og forårsage utætheder. Derfor er denne lille del så vigtig for en pålidelig oliekande.


oliekandeøjer Produktionsdetaljer

Pakningsoplysninger


Ofte stillede spørgsmål:

Q1: Hvad er din MOQ for oliedåseøjer?

MOQ for nitter er 20.000 stk.


Q2: Kan du skræddersy med vores tegning?

Ja, de fleste af vores rørnitter er skræddersyet med kundens tegning.


Q3: Kan du give gratis prøver af de hule nitter?

Vi kan levere gratis prøver til den størrelse, vi har på lager, men kunderne betaler ekspresafgifterne.


Q4: Hvad er din leveringstid?

Størrelse af nitter på lager: 3-5 dage, Ikke-standard nitter: 15-25 dage. Vi vil levere hurtigst muligt med garantikvaliteten.


Q5: Kvaliteten af ​​dine produkter?

Virksomheden har avanceret produktions- og testudstyr. Hvert produkt vil blive 100% inspiceret af vores QC-afdeling før forsendelse.


Q6: Hvorfor vælger vi Nuote Technology?

1.We Nuote respekterer kundevilkårene for at beskytte kundernes privatlivsprojekter.

2. Høj kvalitet med attraktiv pris

3. Hurtig leveringstid

4.Happy deal og ærlighed til kunde og partner

5. Professionel salgsannonce besvarer din forespørgsel med 8 timer.

6.Nuotes produkter og service sælges til mere end 70 lande med et godt omdømme





Hot Tags: Oilcan-øjer, Øjner til Oilcan, Rustfrit stål-øjer til Oilcan
Relateret kategori
Send forespørgsel
Du er velkommen til at give din forespørgsel i nedenstående formular. Vi svarer dig inden for 24 timer.
X
Vi bruger cookies til at tilbyde dig en bedre browsingoplevelse, analysere trafik på webstedet og tilpasse indhold. Ved at bruge denne side accepterer du vores brug af cookies. Privatlivspolitik