Rustfri øjer

Rustfri øjer

Vi er Nuote Metals fra Dongguan Kina. Vores fabrik laver kvalitets rustfri øjer til forskellige industrier. Vi har produceret rustfrie øjer i mange år. Vi bruger godt rustfrit stålmateriale. Dette materiale gør vores rustfrie øjer stærke og rustsikre. Vi laver rustfrie øjer i mange størrelser. Nogle er små til elektronik. Nogle er store til udendørsprodukter. Hvert rustfrit øje bliver kontrolleret af vores arbejdere. De ser omhyggeligt på hvert stykke. Mange kunder vælger vores rustfrie øjer, fordi de fungerer godt og holder længe. Vi kan hurtigt lave prøver til nye projekter.

Send forespørgsel

Produkt beskrivelse

Rustfri Øjer Introduktion

Rustfri øjer er metalringe lavet af rustfrit stål. De bruges til at forstærke huller i materialer. De rustfrie øjer beskytter hullerne mod skader. De holder formen, selv når de trækkes hårdt. Disse rustfri øjer ruster ikke under våde forhold. De forbliver skinnende og stærke i årevis. Isætning af rustfri øjer kræver en speciel maskine. Maskinen presser det rustfrie øje ind i materialet. Når den er installeret, forbliver den solidt på plads. Dette gør produkterne bedre og mere holdbare.



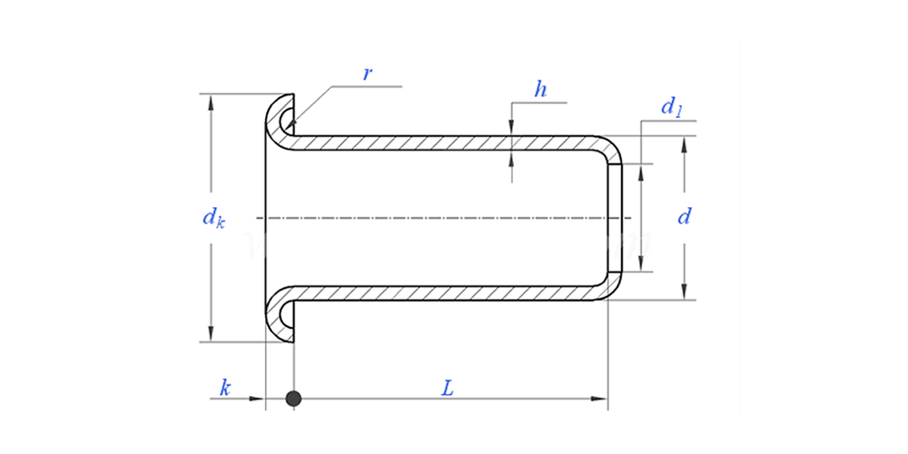
Parameter for rustfri øjer (specifikation)



Materiale rustfrit stål
Overfladebehandling Ren, forzinkning, fornikling, forsølvning, som ønsket
Certifikat Rohs-kompatibel
Skaftdiameter 0,8-10 mm
Tolerance +/-0,05 mm
Anvendelse Velegnet til brug i forskellige industrier, herunder bilindustrien, rumfart, elektrisk og elektronik osv.
Kvalitetskontrol 100% inspektion af hele sortimentet gennem produktion sikrer, at hvert produkt opfylder ISO-standarden, hvilket garanterer produkter af høj kvalitet.


Rustfri øjer tegning som nedenfor:

Ansøgningsshow:


Rustfri øske funktion og anvendelse

Rustfri øjer har mange anvendelsesmuligheder. Sko og støvler har brug for rustfri snørebånd. Udendørs udstyr bruger rustfrie øjer til reb og snore. Tasker og bagage skal have rustfrie øjer til stropper. Telte og presenninger kræver rustfrie øjer til fastbinding. Elektronik bruger nogle gange små rustfrie øjer til ledninger. Marineudstyr har brug for rustfrie øjer, fordi de modstår saltvand. Disse rustfri øjer gør produkter pålidelige og langtidsholdbare. Vores kunder stoler på vores rustfrie øjer til deres vigtige produkter. De ved, at vores rustfrie øjer vil fungere godt under alle forhold.


Pakningsoplysninger

Produktionsdetaljer i rustfri øjenlåg


Ofte stillede spørgsmål:

Q1: Hvad er din MOQ for rustfri eyelets?

MOQ for nitter er 20.000 stk.


Q2: Kan du skræddersy med vores tegning?

Ja, de fleste af vores rørnitter er skræddersyet med kundens tegning.


Q3: Kan du give gratis prøver af de hule nitter?

Vi kan levere gratis prøver til den størrelse, vi har på lager, men kunderne betaler ekspresafgifterne.


Q4: Hvad er din leveringstid?

Størrelse af nitter på lager: 3-5 dage, Ikke-standard nitter: 15-25 dage. Vi vil levere hurtigst muligt med garantikvaliteten.


Q5: Kvaliteten af ​​dine produkter?

Virksomheden har avanceret produktions- og testudstyr. Hvert produkt vil blive 100% inspiceret af vores QC-afdeling før forsendelse.


Q6: Hvorfor vælger vi Nuote Technology?

1.We Nuote respekterer kundevilkårene for at beskytte kundernes privatlivsprojekter.

2. Høj kvalitet med attraktiv pris

3. Hurtig leveringstid

4.Happy deal og ærlighed til kunde og partner

5. Professionel salgsannonce besvarer din forespørgsel med 8 timer.

6.Nuotes produkter og service sælges til mere end 70 lande med et godt omdømme


Hot Tags: Rustfrie øjer, producent af rustfrie øjer, Kina Rustfri øjer
Relateret kategori
Send forespørgsel
Du er velkommen til at give din forespørgsel i nedenstående formular. Vi svarer dig inden for 24 timer.
X
Vi bruger cookies til at tilbyde dig en bedre browsingoplevelse, analysere trafik på webstedet og tilpasse indhold. Ved at bruge denne side accepterer du vores brug af cookies. Privatlivspolitik