Hule messingnitter

Hule messingnitter

Hule messingnitter er generelt lavet af messingrør. Messingrør er hårde, ikke lette at korrodere og modstandsdygtige over for høj temperatur og højt tryk. De kan bruges i en række forskellige miljøer. Samtidig er de lettere at bøje, vride, knække og knække end almindelige metaller. Nuote Metals er en professionel producent af hule messingnitter i Kina, vi er i denne industri i mere end 10 år.

Send forespørgsel

Produkt beskrivelse

Introduktion af hulnitter af messing


Hule messingnitter (også kendt somhule messingnitter ellerøjenitter) bruges almindeligvis i beklædning, elektronik, elektriske apparater, fodtøj, håndtasker, bælter og tøj til nitning, dekoration, fastgørelse og perforering. Hule messingnitter kræver gennitning og bruges til at forbinde tunge emner, ofte ikke-aftagelige strukturer. Hule messingnitter er meget udbredt. Disse hule messingnitter med manchet (mindre ende) er fremstillet af stive rør og kan trænge igennem stålplader op til 0,5 mm tykke uden forboring. De er modstandsdygtige over for bøjning og deformation og er almindeligt anvendt i pengeskabe.


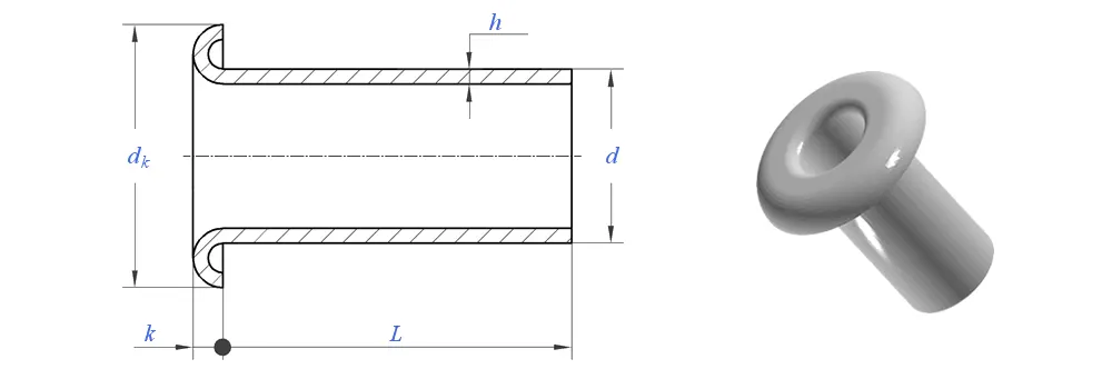
Tegning af en hul nitte af messing:


Parameter for hule messingnitter (specifikation)


Materiale

messing

Overfladebehandling

Rens, plettering med nikkel, zink, guld, splint, som anmodet

Certifikat

Rohs-kompatibel

Skaftdiameter

0,8-10 mm

Tolerance

+/-0,05 mm

Anvendelse

 Velegnet til brug i forskellige industrier, bl.abilindustrien, rumfart,elektrisk og elektronik,  osv.

Kvalitetskontrol

100% inspektion af hele sortimentet gennem produktion sikrer, at hvert produkt opfylder ISO-standarden, hvilket garanterer produkter af høj kvalitet.



Hule messingnitter Funktion og anvendelse


Hule messingnitter bruges i en række forskellige industrier. I elektronik forbinder de ledninger eller komponenter og udnytter deres elektriske ledningsevne til at sikre signaltransmission. I bilindustrien bruges de til indvendige komponenter eller letvægtskonstruktioner, da de kan monteres hurtigt og uden lodning. I husholdningsartikler såsom møbler eller dekorative genstande giver kobbernitter æstetisk tiltalende og pålidelige forbindelser. Andre anvendelser omfatter legetøj, belysning og gør-det-selv-projekter, hvor letvægt og korrosionsbestandighed er fordelagtige.


hule messingnitter Produktionsdetaljer


Pakningsoplysninger

Ofte stillede spørgsmål:


Q1: Hvad er din MOQ for hule messingnitter?

MOQ for nitter er 20.000 stk.


Q2: Kan du skræddersy med vores tegning?

Ja, de fleste af vores hule messingnitter er skræddersyet med kundens tegning.


Q3: Kan du give gratis prøver af de hule messingnitter?

Vi kan levere gratis prøver til den størrelse, vi har på lager, men kunderne betaler ekspresafgifterne.


Q4: Hvad er din leveringstid?

Størrelse af nitter på lager: 3-5 dage, Ikke-standard nitter: 15-25 dage. Vi vil levere hurtigst muligt med garantikvaliteten.


Q5: Kvaliteten af ​​dine produkter?

Virksomheden har avanceret produktions- og testudstyr. Hvert produkt vil blive 100% inspiceret af vores QC-afdeling før forsendelse.


Q6: Hvorfor vælger vi Nuote Technology?

1.We Nuote respekterer kundevilkårene for at beskytte kundernes privatlivsprojekter.

2. Høj kvalitet med attraktiv pris

3. Hurtig leveringstid

4.Happy deal og ærlighed til kunde og partner

5. Professionel salgsannonce besvarer din forespørgsel med 8 timer.

6.Nuotes produkter og service sælges til mere end 70 lande med et godt omdømme





Hot Tags: Leverandør af hule messingnitter, engroshandel med hule messingnitter, producent af industrielle messingnitter
Relateret kategori
Send forespørgsel
Du er velkommen til at give din forespørgsel i nedenstående formular. Vi svarer dig inden for 24 timer.
X
Vi bruger cookies til at tilbyde dig en bedre browsingoplevelse, analysere trafik på webstedet og tilpasse indhold. Ved at bruge denne side accepterer du vores brug af cookies. Privatlivspolitik