Nitteøjer

Nitteøjer

Nitteøjer er små ringformede fastgørelseselementer. Den er designet til at blive sat i et hul, og derefter foldes dens kant ned for at holde materialer sammen. Nuote Metals i Dongguan er en pålidelig fabrik til at fremstille disse nyttige dele.

Send forespørgsel

Produkt beskrivelse

Introduktion af nitteøjer

Hovedtræk ved en nitteøje er dens hule centrum. Dette hul gør den lettere end en solid nitte. Det giver også mulighed for ting som ledninger eller ledninger at passere igennem. Installation af en nitteøje er en hurtig og enkel proces, derfor er de meget populære til produktion.


Ansøgning Vis:

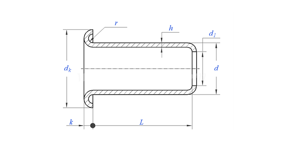
Nitteøjer tegner som nedenfor:



Parameter for nitteøjer (specifikation)



Materiale Messing, stål, aluminium, rustfrit stål, kobber
Overfladebehandling Ren, forzinkning, fornikling, forsølvning, som ønsket
Certifikat Rohs-kompatibel
Skaftdiameter 0,8-10 mm
Tolerance +/-0,05 mm
Anvendelse Velegnet til brug i forskellige industrier, herunder bilindustrien, rumfart, elektrisk og elektronik osv.
Kvalitetskontrol 100% inspektion af hele sortimentet gennem produktion sikrer, at hvert produkt opfylder ISO-standarden, hvilket garanterer produkter af høj kvalitet.




Funktion og anvendelse af nitteøjer

Du kan finde nitteøjer i mange almindelige produkter. De bruges i sko til snørehullerne og i tasker til fastgørelse af stropper. De er også vigtige i elektronik og bildele. Ved alle disse anvendelser giver nitteøjet en stærk og varig forbindelse.


Detaljer om nitteøjer

Pakningsoplysninger

Ofte stillede spørgsmål:

Q1: Hvad er din MOQ for nitteøjer?

MOQ for nitter er 20.000 stk.


Q2: Kan du skræddersy med vores tegning?

Ja, de fleste af vores rørnitter er skræddersyet med kundens tegning.


Q3: Kan du give gratis prøver af de hule nitter?

Vi kan levere gratis prøver til den størrelse, vi har på lager, men kunderne betaler ekspresafgifterne.


Q4: Hvad er din leveringstid?

Størrelse af nitter på lager: 3-5 dage, Ikke-standard nitter: 15-25 dage. Vi vil levere hurtigst muligt med garantikvaliteten.


Q5: Kvaliteten af ​​dine produkter?

Virksomheden har avanceret produktions- og testudstyr. Hvert produkt vil blive 100% inspiceret af vores QC-afdeling før forsendelse.


Q6: Hvorfor vælger vi Nuote Technology?

1.We Nuote respekterer kundevilkårene for at beskytte kundernes privatlivsprojekter.

2. Høj kvalitet med attraktiv pris

3. Hurtig leveringstid

4.Happy deal og ærlighed til kunde og partner

5. Professionel salgsannonce besvarer din forespørgsel med 8 timer.

6.Nuotes produkter og service sælges til mere end 70 lande med et godt omdømme


Hot Tags: Nitteøjer,Kina Nitteøjer,fabrikant af nitteøjer
Relateret kategori
Send forespørgsel
Du er velkommen til at give din forespørgsel i nedenstående formular. Vi svarer dig inden for 24 timer.
X
Vi bruger cookies til at tilbyde dig en bedre browsingoplevelse, analysere trafik på webstedet og tilpasse indhold. Ved at bruge denne side accepterer du vores brug af cookies. Privatlivspolitik