Øjennitte

Øjennitte

En øjenitter er en lille, men nyttig fastgørelsesanordning. Det er formet som et kort rør og er ofte lavet af messing eller stål. Når den er installeret, er haledelen af ​​nitten udvidet for sikkert at forbinde materialer sammen. Mange virksomheder rundt om i verden producerer disse pålidelige komponenter. Nuote Metals baseret i Dongguan, Kina, er en kendt producent af kvalitets øjenitter.

Send forespørgsel

Produkt beskrivelse

Introduktion af øjenitter

En øjenitter virker ved at skabe et stærkt, permanent bånd mellem materialer. I modsætning til en solid nitte har den et hult center. Dette hul gør øjenitten let. Den kan også lade ledninger eller små kabler passere igennem. Det er hurtigt og nemt at sætte en øjenitter på plads. Det er derfor, så mange fabrikker kan lide at bruge det.


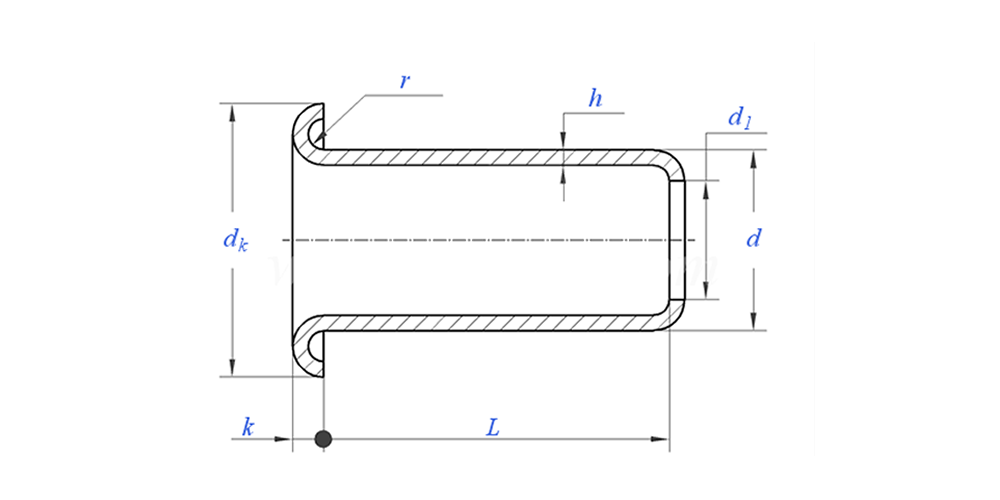
Øjenitteparameter (specifikation)

Materiale Messing, stål, aluminium, rustfrit stål, kobber
Overfladebehandling Ren, forzinkning, fornikling, forsølvning, som ønsket
Certifikat Rohs-kompatibel
Skaftdiameter 0,8-10 mm
Tolerance +/-0,05 mm
Anvendelse Velegnet til brug i forskellige industrier, herunder bilindustrien, rumfart, elektrisk og elektronik osv.
Kvalitetskontrol 100% inspektion af hele sortimentet gennem produktion sikrer, at hvert produkt opfylder ISO-standarden, hvilket garanterer produkter af høj kvalitet.



eyelet nitte tegning som nedenfor:


Eyelet-nittefunktion og anvendelse

Du kan finde øjenitter i mange hverdagsting. Den bruges i sko til snørebåndene og i tasker til stropperne. Denne lille del er også meget vigtig i elektronik og biler. Det holder forskellige materialer godt sammen. Øjenitten er en enkel, men pålidelig løsning til mange monteringsbehov.


Eyelet Rivet Produktionsdetaljer

Pakningsoplysninger

Ofte stillede spørgsmål:

Q1: Hvad er din MOQ for eyelet nitte?

MOQ for nitter er 20.000 stk.


Q2: Kan du skræddersy med vores tegning?

Ja, de fleste af vores rørnitter er skræddersyet med kundens tegning.


Q3: Kan du give gratis prøver af de hule nitter?

Vi kan levere gratis prøver til den størrelse, vi har på lager, men kunderne betaler ekspresafgifterne.


Q4: Hvad er din leveringstid?

Størrelse af nitter på lager: 3-5 dage, Ikke-standard nitter: 15-25 dage. Vi vil levere hurtigst muligt med garantikvaliteten.


Q5: Kvaliteten af ​​dine produkter?

Virksomheden har avanceret produktions- og testudstyr. Hvert produkt vil blive 100% inspiceret af vores QC-afdeling før forsendelse.


Q6: Hvorfor vælger vi Nuote Technology?

1.We Nuote respekterer kundevilkårene for at beskytte kundernes privatlivsprojekter.

2. Høj kvalitet med attraktiv pris

3. Hurtig leveringstid

4.Happy deal og ærlighed til kunde og partner

5. Professionel salgsannonce besvarer din forespørgsel med 8 timer.

6.Nuotes produkter og service sælges til mere end 70 lande med et godt omdømme


Hot Tags: Øjennitte, Kina Øjennitte, Øjennitteproducent
Relateret kategori
Send forespørgsel
Du er velkommen til at give din forespørgsel i nedenstående formular. Vi svarer dig inden for 24 timer.
X
Vi bruger cookies til at tilbyde dig en bedre browsingoplevelse, analysere trafik på webstedet og tilpasse indhold. Ved at bruge denne side accepterer du vores brug af cookies. Privatlivspolitik